ULTRA light
Aluminum construction for 43% weight savings
ULTRA shiny
Tumble polished finish holds shine longer
ULTRA strong
Billet metering blocks & base plates
ULTRA cool
Black anodized billet aluminum metering blocks and base plate
ULTRA easy
Built in sight window for simple float adjustments
ULTRA fast
High-performance fuel curves
Holley Double Pumper® carburetors are a perfect performance upgrade for hot street cars and race vehicles. Double Pumper carburetors are an American icon when it comes to performance carburetors. From their roots as the premier carburetor on many factory muscle cars to powering thousands of vehicles across the finish line, the Double Pumper is a great choice whether you are burning up the street or the quarter mile.
The Ultra Double Pumper™ Carburetors feature all aluminum construction and are equipped with metering blocks and a base plate made from 6061-T6 billet aluminum. They weigh in at approximately 5 lbs. less than a comparable zinc carburetor.
The new Ultra Double Pumper Carburetors have an enhanced fuel curve for optimum performance, with many more features such as aluminum construction; anodized billet aluminum metering blocks and base plate; 4 corner idle for precise idle control; dual accelerator pumps for additional fuel under initial acceleration; mechanical secondaries for great performance; clear fuel level sight plugs for easy, no mess fuel level adjustments; Ford automatic transmission kickdown for use on popular Ford transmissions; four vacuum ports for all necessary vacuum accessories; and for the first time on a Double Pumper, factory pre-set electric choke for easy, fast cold start-ups.
The clean, polished look coupled with Black metering blocks and throttle body will certainly set your ride apart whether you are at the show or track.
Features:
- Shiny with black anodized billet aluminum metering blocks/base plate for good looks and true gasket sealing
- Ultra Double Pumpers feature an Optimized street/strip calibration that works out-of-the-box
- Factory preset electric choke for easy startups
- Mechanical secondaries for awesome tire turning performance
- 4 corner idle allows you to precisely control your idle system
- Built in, clear fuel level sight glass for easy, no mess fuel level adjustments
- Aluminum construction for a 43% weight savings
- Compatible with GM, Chrysler, and Ford A/T kickdown linkage. Additional parts may be required.
- Intended for lightweight vehicles w/ manual trans or automatics with high stall & low gearing
- 100% wet-flow tested by Holley technicians to assure it arrives ready to run!
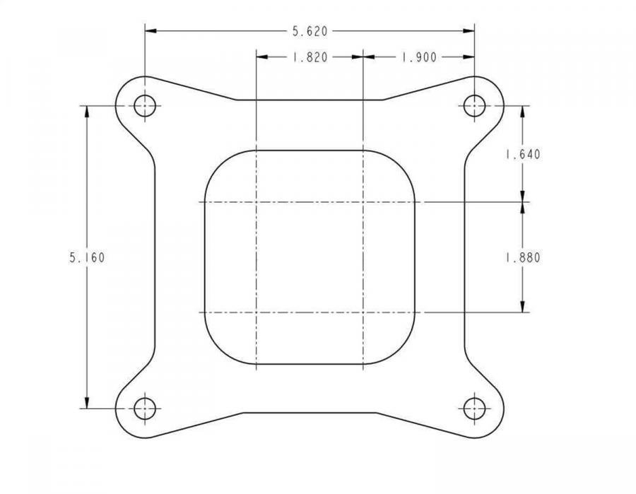
This model of carburetor has the square bore flange bolt pattern. It can replace Holley, Edelbrock, Carter AFB, and Autolite style carburetors with 5 3/16" x 5 5/8" bolt pattern. If you have a spreadbore style intake manifold, you will need an adapter to install this carburetor. Similar to the Mr. Gasket #1932.
Installation Notes:
This model of carburetor has the square bore flange bolt pattern. It can replace Holley, Edelbrock, Carter AFB, and Autolite style carburetors with 5 3/16" x 5 5/8" bolt pattern. If you have a spreadbore style intake manifold, you will need an adapter to install this carburetor. Similar to the Mr. Gasket #1932.
About Holley Performance Products
Holley has been the undisputed leader in fuel systems for over 100 years. Holley carburetors powered every Monster Energy NASCAR Cup team and nearly every NHRA Pro-Stock champion for four decades. Now, Holley EFI products power these cars and are dominating the performance world. Holley products for GM's popular LS engine are dominating the LS scene as well. Holley's products also include performance fuel pumps, intake manifolds and engine dress-up products for street performance, race and marine applications. As a single solution or partnered with products from other Holley companies we can give you the edge you need over the competition!
